AP Sensing, together with our local partner NEC, have been selected to monitor the power cable in a metro tunnel in the capital of Taiwan. This is the first power cable temperature monitoring system to be used in the Taipei MRT. Our Distributed Temperature Sensing (DTS)
solution continually monitors the temperature of high-voltage power cables that serve the Songsan and Xinyi metro lines and ensures a stable, safe and efficient power transmission and distribution.
The installation for both lines has over 80 km of fiber cable installed, and provides real-time, continuous temperature monitoring for the power cable in the tunnels, greatly enhancing the security of the underground MRT station and its passengers, as well as protecting valuable metro assets.
The Linear Power Series continuously monitors the temperature of high-voltage power cables that serve the Songsan and Xinyi metro lines. The DTS (Distributed Temperature Sensing) solution enables a stable, safe and efficient power transmission and distribution.
Together, both lines have over 80km of sensor fiber installed. They provide real-time, continuous temperature monitoring of the power cable in the tunnels, greatly enhancing the security of the underground MRT station and its passengers, as well as protecting valuable metro assets.
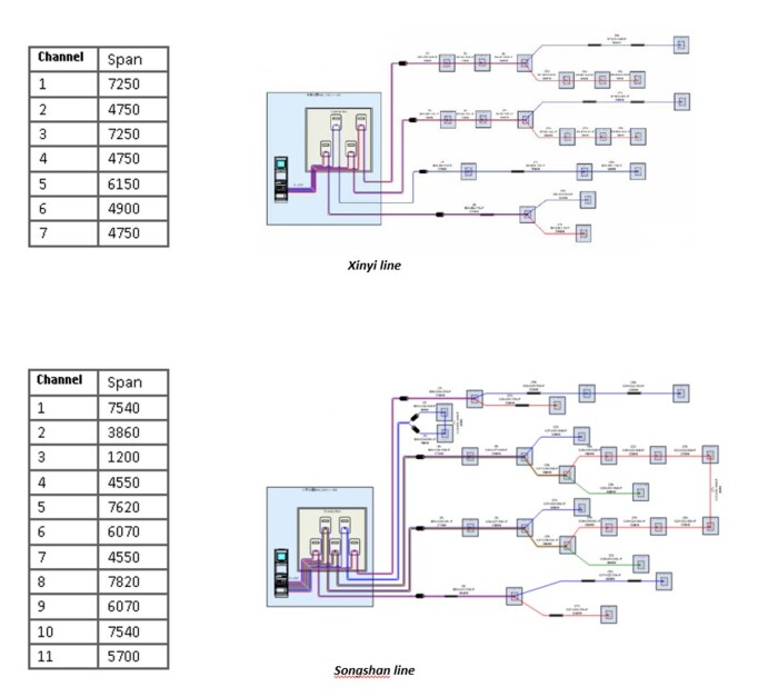
System Configuration
Two Linear Power Series DTS units monitor the power cables in the metro lines, and each unit is equipped with one interface box to access via the Modbus protocol over RS232, RS422 and RS485, as well as over TCP/IP.
Why was AP Sensing selected?
The AP Sensing solution was selected because it fulfilled the customer requirements: a very high level of overall system reliability in order to protect valuable assets and ensure passenger safety.
Our power cable monitoring solution uses a class 1M laser, which is inherently safe and enables continuous operation even in the presence of fiber breaks. Its open interfaces (LAN / Modbus) allow for easy integration to the SCADA systems. With the lowest failure rate in the industry, AP Sensing provides a stable and virtually maintenance-free temperature monitoring solution.







